DFA-T Panel Mount Water Flow Meter RO Flowmeter
This series flowmeter is clear viewing type with SS valves to adjust the flowrate in a large measuring range.
It is featured in a beautiful look and easy installation.
Specification
Model | Range | Screw Thread | Accuracy | ||
GPM (liquid) | LPM (liquid) | Nm3/h (gas) | |||
DFA-15AT | 15-150 LPH | 0.1-1 0.16-1.6 0.3-3 0.4-4 | (M)1/2"BSPT (F)1/4"BSPT | ±4% | |
DFA-15T | 10-100 LPH | 0.04-0.4 0.16-1.6 0.1-1 0.25-2.5 0.3-3 0.4-4 0.6-6 0.8-8 1-10 1.6-16 2.5-25 4-40 | |||
16-160 LPH | |||||
25-250 LPH | |||||
0.1-1 | 0.5-4 | ||||
0.2-2 | 1-7 | ||||
0.3-3 | 1-11 | ||||
0.5-5 | 2-18 | ||||
| DFA-25T | 2-10 | 5-35 | 20-100 35-350 40-160 50-250 | (M)1"BSPT | |
4-14 | 10-50 | ||||
6-20 | 20-70 | ||||
10-35 | 30-130 | ||||
10-40 | 30-150 | ||||
15-45 | 50-170 | ||||

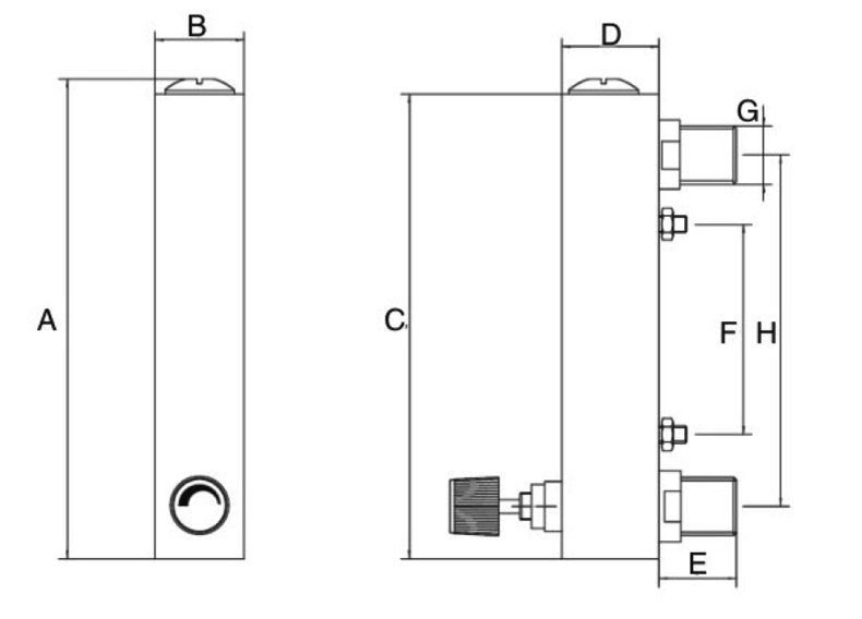
The outline size of DFA-T series flow meter
Model | Size (mm) | |||||||
A | B | C | D | E | F | G | H | |
DFA-15AT | 157 | 32 | 150 | 35 | 25 | 60 | 25 | 110 |
DFA-15T | 175 | 32 | 168 | 35 | 25 | 76 | 25 | 127 |
DFA-25T | 234 | 45 | 226 | 46 | 33 | 100 | 37 | 160 |
The material and code of the parts of DFA flow meter
Valve | Fitting | Float | O-ring |
1.SS | 1. ABS |
1.SS | 1.silicon rubber |
Factory:
