DFC Series acrylic flow meter
DFC series flow meter derive form DFB series flow meter, it has lengthen, which is installed on the panel, the customer will fix it
by hexagonal nut on the fitting. The measure range of DFC and DFB series is same.
Specification
Model | Range |
Screw thread |
Accuracy | ||
GPM (Liquid) | LPM (Liquid) | Nm3/h (Gas) | |||
DFC-15 | 0.1-1 | 0.5-4 |
1-10 1.6-16 2.5-15 4-40 | (M)1/2"NPT (M)1/2"BSP |
4% |
| 0.2-2 | 0.8-8 | ||||
| 0.3-3 | 1-11 | ||||
| 0.5-5 | 2-18 | ||||
| 1-7 | 2-28 | ||||
1.5-9 | 400-2000LPH | ||||
DFC-20 | 2-10 | 8-40 | 2.5-25 6-60 16-80 16-160 | (M)3/4"NPT (M)3/4"BSP | |
2-16 | 8-60 | ||||
2-20 | 8-80 | ||||
DFC-25 | 1.5-15 | 6-60 |
20-200 25-250 | (M)1"NPT (M)1"BSP | |
3-13 | 10-50 | ||||
4-24 | 10-100 | ||||
5-35 | 10-130 | ||||
5-45 | 20-170 | ||||

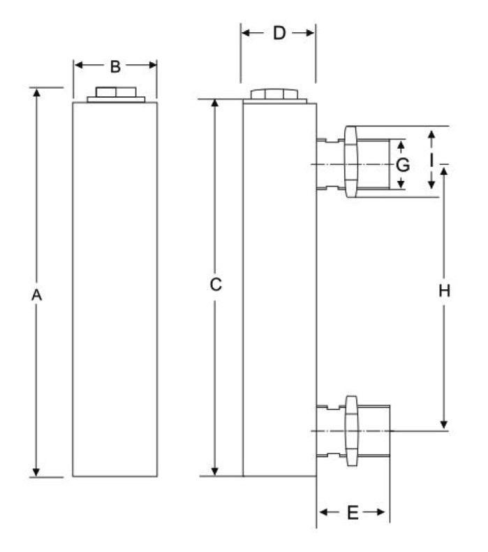
The outline size of DFC series Flow Meter
Model
| Size (mm) | ||||||||
A | B | C | D | E | F | G | H | I | |
DFC-15 | 216 | 32 | 206 | 37 | 33 | 100 | 1/2" | 165 | 30 |
DFC-20 | 233 | 39 | 220 | 44 | 49 | 100 | 3/4" | 165 | 32 |
DFC-25 | 253 | 44 | 240 | 50 | 48 | 100 | 1" | 175 | 40 |
The material and code of the parts
With value | Value | Fitting | Float | O-ring |
T- with O- No | Brass Ss | 1 ABS 2.PP 3.PVC 4.Brass 5.Brass -chromeplate 6.SS | Ss Acrylic Agate ball PTFE | 1-Silicon rubber 2-Fluorin rubber 3-Butyl |