DFA panel mount flow meter
This series flowmeter has two models, it featured in beautiful look, with semicircle fitting and while colored tape,
and there are two screws can easy installed panel.
Technical Parameters of DFA series Flow Meter
Model | Measure Range |
Screw thread | Accuracy | ||
GPM (Liquid) | LPM (Liquid) | Nm3/h(Gas) | |||
DFA-15A |
| 15-150LPH | 0.1-1 0.16-16 0.3-3 0.4-4 | (M)1/4"BSPT (F)1/4"BSPT |
4% |
DFA-15 |
| 10-100LPH 16-160LPH 25-250LPH |
0.04-0.4 0.1-1 0.16-1.6 0.3-3 0.25-2.5 0.4-4 0.6-6 0.8-8 1-10 1.6-16 2.5-25 4-40 | (M)1/2"BSPT (F)1/4"BSPT | |
0.03-0.35 | 0.1-1.4 | ||||
0.05-0.5 | 0.2-1.8 | ||||
0.1-1 | 0.5-4 | ||||
0.15-1.5 | 0.6-6 | ||||
0.2-2 | 1-7 | 2.5-15 2.5-25 4-40 6-60 10-100 20-100 16-160 30-300 35-350 |
(M)1"BSPT | ||
0.3-3 | 1-11 | ||||
0.5-5 | 2-18 | ||||
DFA-25 | 1-10 | 5-35 | |||
1-15 | 5-50 | ||||
2-14 | 10-50 | ||||
2-20 | 10-70 | ||||
5-35 | 10-130 | ||||
5-40 | 10-150 | ||||
5-45 | 10-170 | ||||
0.3-2.1m3/h 0.6-3m3/h 0.6-4.2m3/h | |||||

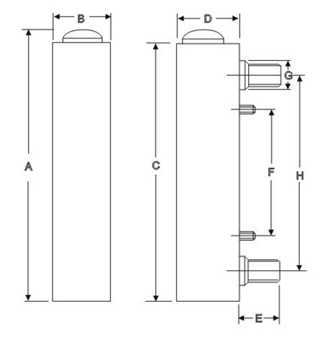
The outline size of DFA series flowmeter
Model
| Size (mm) | |||||||
A | B | C | D | E | F | G | H | |
DFA-15A | 157 | 32 | 150 | 35 | 25 | 60 | 25 | 110 |
DFA-15 | 175 | 32 | 168 | 35 | 25 | 76 | 25 | 127 |
DFA-25 | 234 | 45 | 226 | 46 | 33 | 100 | 37 | 160 |
The material and code of the parts of DFA Series Flow Meter
Fitting | Float | O-ring |
1 ABS 2.PP 3.PVC 4.Brass 5.Brass -chromeplate 6.SS | Ss Acrylic Agate ball PTFE | 1-Silicon rubber 2-Fluorin rubber
|
Factory:
